banner1

沉降监测器-沉降观测仪器

浏览次数: 发布日期:2019-06-25

晶硅式静力水准仪(沉降监测器。沉降观测仪器)是测量两点间或多点间相对高程变化的仪器。主要用于建筑物沉降观测,如大坝、核电站、高层建筑、矿山、滑坡、桥梁等垂直位移和倾斜的监测。静力水准系统一般安装在被测物体等高的测墩上或被测物体墙壁等高线上,通常采用一体化模块化自动测量单元采集数据,通过有线或无线通讯与计算机连接,从而实现自动化观测。 那么静力水准仪原理是怎样的呢?

静力水准仪

系统的结构

静力水准系统的结构由静力水准仪及安装架、液体连通管及固定配件、通气连通管及固定配件、干燥管、液体等组成。安装方式分为测墩式安装和墙壁式安装两种方式,视现场条件和设计要求选定。
 

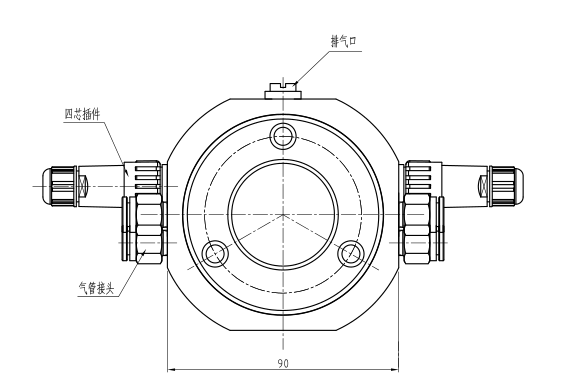
产品结构图

静力水准仪原理

 

静力水准仪工作原理

静力水准系统又称连通管水准仪,系统至少由两个观测点组成,每个观测点安装一套静力水准仪。静力水准仪的贮液容器相互用通液管完全连通,贮液容器内注入液体,当液体液面完全静止后系统中所有连通容器内的液面应同在一个大地水准面上,此时每一容器的液位由传感器测出差异沉降。

静力水准仪原理

 

数据传输注意事项

数据传输电缆线必须避开大功率电源、射频信号源和其它有噪声的传输线等。电缆的屏蔽线必须完好无断线,用二次仪表读取数据时传感器的屏蔽线必须连接仪表地端。二次仪表必须具备防雷措施。

静力水准仪厂家

沈阳尚亮轻工业产品有限公司